3,62 €
Sofort verfügbar, Lieferzeit: 1-3 Werktage
Produktinformationen
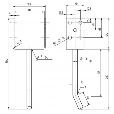
1 U-Pfostenträger mit Betonanker aus Rundstahl101 mm Gabelweite für 100 mm Pfosten - 4 mm stark - feuerverzinkt[Alberts ALBERTS Herst.-Nr.: 214098]
- Für leichte Holzkonstruktionen mit einer maximalen Höhe von 150 cm
- Hoher Korrosionsschutz
- Lochdurchmesser 11mm
Weiterführende Links:
![]() |
Allgemeine Informationen:
Der U-Pfostenträger, auch als U-Schuh oder U-Anker bekannt, ist perfekt für die Befestigung von leichten Holzkonstruktionen wie Jäger- und Staketenzäunen (maximal 150 cm hoch) geeignet.
Die vorhandene Feuerverzinkung gewährleistet einen hohen Schutzvor Korrosion, wodurch sich der Träger perfekt für den Einsatz im Außenbereich eignet.
Wie die meisten unserer Alberts Pfostenträger, besitzt auch dieser eine ETA-Zulassung. Diese gibt die technische Brauchbarkeit des Bauproduktes im Sinne der Bauproduktlinie wieder, was soviel bedeutet wie, dass der Artikel die baurechtlichen Anforderungen der EU erfüllt.
Auch dieser U-Pfostenträger ist ein Markenprodukt der Firma Alberts. Diese wurde bereits im Jahre 1852 gegründet, und ist bereits seit vielen jahren für die gleichbleibende Qulität ihrer Produkte bekannt.
Verarbeitung / Anwendung:
Dieser einbetonierbare U-pfostenträger besitzt eine 101 mm Aufnahme für 100 mm Vierkantpfosten. Die Materialstärke der Gabel beträgt 4 mm.
Zur Befestigung des Vierkantholzpfostens, befinden sich an jeder Seitenlasche der Aufnahme, jeweils 3 versetzte Bohrungen mit 11 mm Ø. Als Befestigungsmaterial empfehlen wir Pfostenträgerschrauben mit 7 mm Ø. Durch die soezielle Kopfverdickung der Schrauben, passen diese perfekt in die Bohrungen des Trägers. Die Länge wird hierbei entsprechend der Pfostendicke gewählt.
Für den festen Halt im Beton sorgt der 200 mm lange Betonanker aus Rundstahl mit einem Durchmesser von 16 mm. Dadurch, dass der Rundstahl am Ende ein wenig abgewinkelt ist, findet der Anker besser Halt im Beton und kann Windsogkräfte besser aufnehmen.
Wir empfehlen den Rundstahlanker mindestens bis zur Hälfte einzubetonieren. Das ausgehobene Loch sollte unbedingt eine Mindesttiefe von 80 cm aufweisen, um zu verhindern, dass Frost das Fundament unterwandert und nach oben drückt.
Tipp: Ein Stückchen Dachpappe zwischen Pfostenträger und Balken, trägt einiges zum konstruktiven Holzschutz bei und verlängert somit die Dauerhaftigkeit Ihrer Holzkonstruktion.
Eigenschaften:
| Bohrungen | 6 Löcher á 11mm |
| für eine Pfostenbreite von | 100 mm |
| Höhe der Seitenlaschen | 100 mm |
| Breite der Seitenlaschen | 60 mm |
| Betonanker Länge | 200 mm |
| Durchmesser des Betonankers | 16 mmm |
| Materialstärke | 4 mm |
| Europäische Technische Zulassung | ETA 10/0210 |
| Maximale Pfostenbreite: | 100 mm |
|---|---|
| Produktgruppe: | U-Pfostenträger |
| Gesamtlänge: | 304 mm |
| Inhalt: | 1 Stück |
| Materialdicke: | 4 mm |
| Artikelart: | Artikel |
| Befestigungsart: | einbetonieren |
| Befestigungsform: | Dolle |
| Farbe: | silber |
| Gesamtbreite: | 109 mm |
| Hersteller: | Alberts |
| Hersteller Nummer: | 214098 |
| Lochanzahl: | 6 |
| Lochdurchmesser: | 11 mm |
| Mindest Pfostenbreite: | 100 mm |
| Oberfläche: | feuerverzinkt |
| Pfostenaufnahme: | außen umfassend |
| Produktfamilie: | Träger |
| Zulassung: | ETA |
| Zulassung Nr.: | 10/0210 |
Gust. Alberts GmbH & Co. KG
Blumenthal 2
58849 Herscheid
Deutschland
gpsr@alberts.de
Anmelden
1 - 15 von 89 Bewertungen
10. Januar 2026 00:00
Bewertung bei Trusted Shops
-
27. November 2025 00:00
Bewertung bei Trusted Shops
top Ware
27. November 2025 00:00
Bewertung bei Trusted Shops
Schnelle Lieferung! Schnell und unkompliziert
27. Oktober 2025 00:00
Bewertung bei Trusted Shops
-
10. Oktober 2025 00:00
Bewertung bei Trusted Shops
-
8. Oktober 2025 00:00
Bewertung bei Trusted Shops
-
22. September 2025 00:00
Bewertung bei Trusted Shops
Schnelle Lieferung, günstiger Preis bei guter Qualität. Was will man mehr?!
22. September 2025 00:00
Bewertung bei Trusted Shops
Super
14. September 2025 00:00
Bewertung bei Trusted Shops
-
14. September 2025 00:00
Bewertung bei Trusted Shops
Schnelle Lieferung und gutes Preis Leistungsverhältnis. mfg Günter Hiller
7. September 2025 00:00
Bewertung bei Trusted Shops
Mit 40 cm langem Stab. Das ist sehr gut, denn abschneiden geht immer!
5. September 2025 00:00
Bewertung bei Trusted Shops
-
1. September 2025 00:00
Bewertung bei Trusted Shops
Alles bestens, gerne wieder.
28. August 2025 00:00
Bewertung bei Trusted Shops
-
14. Juli 2025 00:00
Bewertung bei Trusted Shops
-
