4,11 €
Sofort verfügbar, Lieferzeit: 1-3 Werktage
Produktinformationen
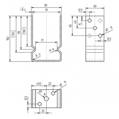
1 U-Pfostenträger mit seitlicher Pfostenauflage mit 91 mm Gabelweite für 90 mm Pfosten, 4 mm stark, feuerverzinkt[Alberts ALBERTS Herst.-Nr.: 217624]
- Geeignet für Holzzäune und Holzkontruktionen
- Hoher Korrosionsschutz
- Lochdurchmesser 11mm
Allgemeine Informationen :
Bei dem hier geziegten U-Pfostenträger handelt es sich um eine aufdübelbare Variante mit einer Sicke / Wulst. Dieser Träger ist bestens für die Montage von Jäger- und Staketenzäune bis zu einer maximalen Höhe von 150 cm geeignet.
Der aufdübelbare U-Pfostenträger mit Pfostenauflage ist feuerverzinkt und eignet sich perfekt für die Anwendung im Außenbereich.
Auch dieser U-förmige Pfostenanker besitzt eine ETA-Zulassung, welche die technische Brauchbarkeit eines Produktes, im Sinne der Bauproduktlinie enthält. Das bedeutet, dass der Artikel die baurechtlichen Anforderungen der EU erfüllt.
Wie auch unsere anderen Pfostenschuhe ist auch dieser U-Träger ein Produkt der Firma Alberts-Alberts. Ihre Produkte bestechen durch die hohe Qualität, die aus der jahrelangen Erfahrung der Firma resultiert.
Verarbeitung / Anwendung:
Dieser aufdübelbare U-Pfostenträger verfügt über eine Gabelweite von 91 mm, woraus sich die Aufnahme für Holz mit 90 mm Breite Vierkantbalken ergibt.
An den Seitenlaschen, die den Holzbalken umschließen, sind insgesamt 6 diagonal versetzte Bohrungen mit jeweils 11 mm Ø angebracht. Die Bodenplatte, welche auf Beton aufgedübelt wird, besitzt 3 diagonal versetzte Bohrungen. Die zwei äußeren Bohrungen haben ebenfalls einen Durchmesser von 11 mm, das mittlere Loch hingegen 14 mm aufweist.
Die seitliche Pfostenauflage des Pfostenankers in U-Form, auch Sicke oder Wulst genannt, dient als Auflage und sorgt dafür, dass der Holzbalken ausreichend unterlüftet wird. Somit ist ein konstruktiver Holzschutz gewährleistet.
Eigenschaften:
| Material | Stahl |
| Oberfläche | feuerverzinkt | Bohrungen Seitenlaschen | 6 Löcher á 11 mm |
| Bohrungen Bodenplatte | 2 Löcher á 11 mm, 1 Loch á 14 mm | für eine Pfostenbreite von | 90 mm |
| Höhe der Seitenlaschen | 100 mm | Breite der Seitenlaschen | 60 mm | Gesamtlänge | 150 mm | Materialstärke | 4 mm | Europäische Technische Zulassung | ETA 10/0210 |
| Maximale Pfostenbreite: | 90 mm |
|---|---|
| Produktgruppe: | U-Pfostenträger |
| Gesamtlänge: | 150 mm |
| Inhalt: | 1 Stück |
| Materialdicke: | 4 mm |
| Artikelart: | Artikel |
| Befestigungsart: | aufdübeln |
| Befestigungsform: | Grundplatte |
| Farbe: | silber |
| Gesamtbreite: | 99 mm |
| Hersteller: | Alberts |
| Hersteller Nummer: | 217624 |
| Lochanzahl: | 8 |
| Lochdurchmesser: | 11 mm |
| Mindest Pfostenbreite: | 90 mm |
| Oberfläche: | feuerverzinkt |
| Pfostenaufnahme: | außen umfassend |
| Produktfamilie: | Träger |
| Zulassung: | ETA |
| Zulassung Nr.: | 10/0210 |
Gust. Alberts GmbH & Co. KG
Blumenthal 2
58849 Herscheid
Deutschland
gpsr@alberts.de
Anmelden
1 - 15 von 90 Bewertungen
6. Januar 2026 00:00
Bewertung bei Trusted Shops
-
8. Dezember 2025 00:00
Bewertung bei Trusted Shops
Gute Qualität, schnelle Lieferung, super Preise
1. Dezember 2025 00:00
Bewertung bei Trusted Shops
-
18. November 2025 00:00
Bewertung bei Trusted Shops
Gutes Preis-/Leistungsverhältnis
29. Oktober 2025 00:00
Bewertung bei Trusted Shops
-
13. Oktober 2025 00:00
Bewertung bei Trusted Shops
-
11. Oktober 2025 00:00
Bewertung bei Trusted Shops
-
18. Juli 2025 00:00
Bewertung bei Trusted Shops
👍🏻
9. Juli 2025 00:00
Bewertung bei Trusted Shops
-
9. Juli 2025 00:00
Bewertung bei Trusted Shops
-
8. Juli 2025 00:00
Bewertung bei Trusted Shops
-
8. Juli 2025 00:00
Bewertung bei Trusted Shops
-
30. Juni 2025 00:00
Bewertung bei Trusted Shops
Passt wie erwartet. Könnte bei der Menge etwas günstiger sein
30. Juni 2025 00:00
Bewertung bei Trusted Shops
Passt wie erwartet. Könnte bei der Menge etwas günstiger sein
19. Juni 2025 00:00
Bewertung bei Trusted Shops
-
