Zum Hauptinhalt springen Zur Suche springen Zur Hauptnavigation springen

Produktinformationen

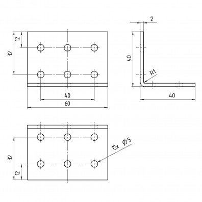
1 Stück Lochplattenwinkel, Edelstahl F1, Materialstärke 2 mm,40 mm x 40 mm x 60 mm

  • für winklige Holzverbindungen geeignet
  • Korrosionsschutz durch Edelstahl F1
  • mit einer Materialstärke von 2 mm

Allgemeine Informationen:

Bei diesem Edelstahl - Lochplattenwinkel handelt es sich um eine gleichschenklige Variante. Der Holzverbinder ist vielseitig verwendbar und kommt zum Beispiel beim Bau von Dachstühlen, Pergolen und Gartenhäusern zum Einsatz. Das praktische Verbindungselement wird sowohl für Holz - Holz Befestigungen eingesetzt und kann auch in Verbindung mit Beton oder Mauerwerk verwendet werden. Besonders gut eignet sich der Lochplattenwinkel für Kreuzanschlüsse, Auswechslungen und Balken-/Stützenanschlüsse. Diese Winkel bestehen aus Edelstahl, dadurch sind sie selbst im stark bewitterten Bereich, dauerhaft vor Korrosionen geschützt sind. 
 

Verarbeitung / Anwendung:

Es handelt sich bei dem 40 mm x 40 mm Lochplattenwinkel, um einen gleichschenkligen Winkel mit einer Tiefe von 60 mm. Die Blechstärke des Verbindungselementes beträgt 2 mmund zur Befestigung des Winkels verfügt dieser 12 Löcher á 5 mm Durchmesser. 
 
Als Befestigungselement für eine Holz - Holz Verbindung eignen sich Edelstahl Kammnägel mit 4 mm Durchmesser. Die Länge der Nägel variiert je nach Balkenstärke und pro Schenkel müssen mindestens 4 Nägel verwendet werden. Für eine Holz - Beton Verbindung, eignen sich Edelstahl Spanplattenschrauben mit 5 mm Durchmesser und dazu passende Flossendübel.
 
Achten Sie unbedingt darauf, nur Befestigungsmaterial aus Edelstahl zu verwenden. Anderenfalls kann es zu einer so genannten Kontaktkorrosion kommen. Baumkanten und gewölbte Hölzer eignen sich nicht zur Verbindung mit diesen Lochplattenwinkeln, da das Verbindungselement zur Montage vollflächig aufliegen muss.
Eigenschaften
Produktgruppe: Lochplattenwinkel
Gesamtlänge: 40 mm
Inhalt: 1 Stück
Werkstoffgruppe: Edelstahl F1
Materialdicke: 2 mm
Abmessung: 40 x 40 x 60 x 2 mm
Artikelart: Artikel
Farbe: silber
Hersteller: Alberts
Lochanzahl: 12
Lochdurchmesser: 5 mm
Oberfläche: N/A
Produktfamilie: Winkel
Schenkelbreite: 60
Schenkellänge: 40 mm
Schenkligkeit: gleichschenklig
Weitere Schenkellänge: 40 mm
Winkeldetails: ohne Steg
Synonyme: 40er Winkel
Hersteller "ALBERTS"

Gust. Alberts GmbH & Co. KG
Blumenthal 2
58849 Herscheid
Deutschland
gpsr@alberts.de

 

zum Kontaktformular

Weiterführende Links des Herstellers
Größen und Ausführungen

7 von 7 Bewertungen

Durchschnittliche Bewertung von 5 von 5 Sternen


100%

0%

0%

0%

0%


Bewerten Sie dieses Produkt!

Teilen Sie Ihre Erfahrungen mit anderen Kunden.


7 Bewertungen

17. November 2025 00:00

Bewertung mit 5 von 5 Sternen

Bewertung bei Trusted Shops

-

13. Juni 2024 11:52

Bewertung mit 5 von 5 Sternen

Sehr gute Qualität.

Sehr gute Qualität Made in Germany. Günstiger Preis

13. Juni 2024 00:00

Bewertung mit 5 von 5 Sternen

Bewertung bei Trusted Shops

Sehr gute Qualität Made in Germany. Günstiger Preis

21. April 2024 00:00

Bewertung mit 5 von 5 Sternen

Bewertung bei Trusted Shops

-

29. Mai 2023 18:27

Bewertung mit 5 von 5 Sternen

Qualität ist gut und günstig..

Qualität ist gut und günstig..

29. Mai 2023 16:27

Bewertung mit 5 von 5 Sternen

Qualität ist gut und günstig..

Qualität ist gut und günstig..

29. Mai 2023 00:00

Bewertung mit 5 von 5 Sternen

Bewertung bei Trusted Shops

Qualität ist gut und günstig..