Zum Hauptinhalt springen Zur Suche springen Zur Hauptnavigation springen

Produktinformationen

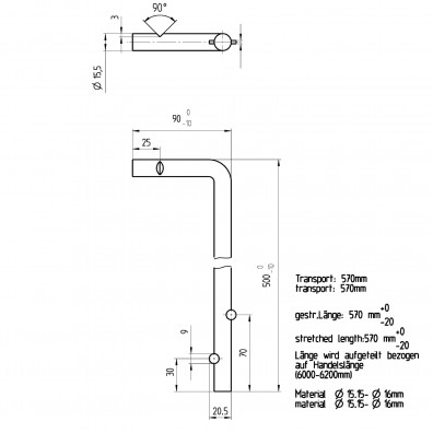
1 Bodenschieber 500 mm x 16 mm Ø - feuerverzinkt[Alberts ALBERTS Herst.-Nr.: 211042]

  • Mit zwei Führungswinkeln
  • Lochdurchmesser 6,5 mm
  • Hoher Korrosionsschutz durch feuerverzinkung

Allgemeine Informationen :

3D Detailansicht Bodenschieber feuerverzinktBodenschieber, auch als Torfeststeller oder Stangenriegel bekannt, eignen sich perfekt um Gartentore zuverlässig geschlossen zu halten.

 

Durch die Feuerverzinkung ist der Schieber perfekt für den Einsatz im Außenbereich gerüstet, da ein hoher Schutz vor Korrosionen gewährleistet wird.

 

Bei diesem Bodenschieber handelt es sich um ein Qualitätsprodukt der Firma Alberts, welche bereits seit 1852 besteht. Heute ist Alberts führende Industriemarke für Baumärkte, Fachhandel und Industriekunden in Europa.

 

Verarbeitung / Anwendung:

Führungswinkel feuerverzinktDer feuerverzinkte Bodenschieber für Holztore besitzt einen Durchmesser von 16 mm und eine Höhe von 500 mm.

 

Der Abstand vom Bolzen bis zum Tor beträgt 40 mm.

 

An dem Torfeststeller selbst werden zwei Führungswinkel angebracht, welche zur Befestigung einen Lochdurchmesser von 6,5 mm vorgesehen haben.

 

Durch eine angebrachte Feder auf der Grundplatte wird der Stangenriegel auf der eingestellten Höhe gehalten.

 

Eigenschaften:

Bodenschieber mit Führungswinkeln feuerverzinkt
Oberfläche feuerverzinkt
Höhe 500 mm
Abstand zum Tor 40 mm
Durchmesser 16 mm
Lochdurchmesser 4 Löcher á 6,5 mm
Führungswinkel 2 Stück

 

 

Eigenschaften
Produktgruppe: Bodenschieber
Durchmesser: 16 mm
Gesamtlänge: 500 mm
Inhalt: 1 Stück
Artikelart: Artikel
Farbe: silber
Gesamtbreite: 40 mm
Hersteller: Alberts
Hersteller Nummer: 211042
Oberfläche: feuerverzinkt
Produktfamilie: Schieber
Produkthöhe: 500 mm
Hersteller "ALBERTS"

Gust. Alberts GmbH & Co. KG
Blumenthal 2
58849 Herscheid
Deutschland
gpsr@alberts.de

 

zum Kontaktformular

Weiterführende Links des Herstellers
Größen und Ausführungen

2 von 2 Bewertungen

Durchschnittliche Bewertung von 5 von 5 Sternen


100%

0%

0%

0%

0%


Bewerten Sie dieses Produkt!

Teilen Sie Ihre Erfahrungen mit anderen Kunden.


2 Bewertungen

17. Juni 2023 08:43

Bewertung mit 5 von 5 Sternen

.

.

17. Juni 2023 00:00

Bewertung mit 5 von 5 Sternen

Bewertung bei Trusted Shops

-